导热油炉电加热器
导热油炉电加热器
产品名称:导热油炉电加热器
产品型号:导热油炉电加热器
产品价格:电议
商标品牌:安邦
产品认证:EX
主要用途:广泛应用于化工、石油、机械、印染、食品、船舶、纺织、薄膜等行业中
详细说明:
一、概述
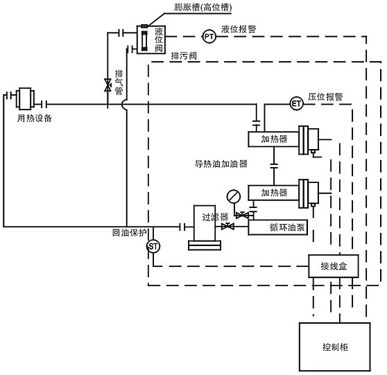
导热油炉电加热器(又称导热油加热器)是将是将电加热器直接插入有机载体(导热油)中直接加热,利用循环泵,强制导热油进行液相循环,将热量传递给用一个或多种用热设备,经用热设备卸载后,重新通过循环泵,回到加热器,再吸收热量,传递给用热设备,如此周而复始,实现热量的连续传递,使被加热物体温度升高,达到加热的工艺要求。导热油加热器采用数显温控仪控温,具有超温报警、低油位报警、超压力报警功能,它是化工、石油、机械、印染、食品、船舶、纺织、薄膜等行业中一种高效节能的供热设备。
二、特点
1、运行压力低
液相输送热能,能在较低的运行压力下,获得较高的工作温度,热载体较水的饱和蒸汽压力小70~80倍,一般供热运行压力为≤0.3MPa。
2、加热温度高
导热油加热炉供热温度可达280℃;加热温度自动化控制,灵敏度高,供热稳定。
3、安全可靠
我公司专业研发生产导热油炉,具备完善的运行控制和安全监测装置,操作简便,安全可靠。
4、环保型设计
导热油炉设备配置新型电加热系统,以电代煤,节省投资,环保无污染,同时导热油炉加热升温快,热效率高,高效更经济!
注:更多具体型号规格可直接联系我公司,提供加热器订制服务。
注:1、安邦提供多规格电加热器的订制,用户只需将设备技术图纸与技术要求提供给我公司技术部就可。我公司将根据现场工况与温度要求计算加热器的设计功率和电加热的外型结构,并且将附图与用户,并对电加热器的具体外型尺寸和安装方式与用户进行研究与沟通。
2、具体情况可直接联系我公司销售部门,安邦将为您提供整套的电加热解决方案。
导热油炉电加热器文章延伸阅读
- >·导热油炉电加热器
